

Main Features
● Microscopic imaging supporting ≤32mm target surface.
● Uses coaxial Köhler illumination with high uniformity (≥0.9).
● Equipped with laser auto-focus sensor for fast focusing.
● Dual-camera optical path for higher inspection speed.
● Supports customer customization.
Parameter Specifications

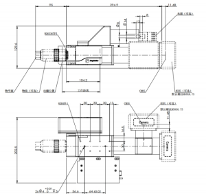
Typical Package Schematic(mm)

Copyright © 2023 Hunan Dayoptics, Inc. Add:008, Jinshui West Road, Ningxiang Jinzhou New District, Changsha, 410600, Hunan, China
Business license Sitemap Technical support:Hnjing